| 索引號: | hasylbzj/2022-00123 | 分類: | 勞動、人事、監察\醫療保障 通知 | ||
| 發布機構: | 海安市醫療保障局 海安市總工會 海安市婦女聯合會 | 文號: | 海醫保發〔2022〕25號 | ||
| 成文日期: | 2022-11-15 | 發布日期: | 2022-11-18 | 有效性: | 有效 |
| 名稱: | 關于開展2022年度海安市長期照護保險定點服務機構護理員照護服務技能競賽的通知 | ||||
各有關單位:
為貫徹落實江蘇省醫療保障局開展醫保經辦政務服務練兵比武活動要求,推動醫療保障公共服務提質增效,提升全市照護服務水平,經研究,決定在全市組織開展2022年度長期照護保險定點服務機構護理員照護服務技能競賽。為確保競賽活動順利實施,現將《2022年度海安市長期照護保險定點服務機構護理員照護服務技能競賽實施方案》印發給你們,請各有關單位按照方案認真組織實施。為確保本次競賽順利舉行,海安市醫療保障局、海安市總工會、海安市婦女聯合會成立競賽組委會,組委會辦公室設在海安市醫療保障局醫保中心。
附件1:2022年度海安市長期照護保險定點服務機構護理員照護服務技能競賽組委會成員名單
附件2:2022年度海安市長期照護保險定點服務機構護理員照護服務技能競賽實施方案
海安市醫療保障局 海安市總工會
海安市婦女聯合會
2022年11月15日
附件1
2022年度海安市長期照護保險定點服務機構護理員照護服務技能競賽組委會成員名單
組 長:楊云根 市醫保局黨組書記、局長
副組長:金 華 市婦聯黨組成員、副主席
陸曉靜 市醫保局黨組成員、副局長
張 弛 市總工會副主席(掛職)
成 員:周海東 市醫保局黨組成員、醫保中心主任
涂加勤 市總工會勞動和經濟工作部部長
丁雪晴 市婦聯發展部部長
王 亮 市醫保中心副主任
組委會辦公室設在海安市醫療保障局醫保中心,負責本次競賽活動的組織和總體協調,日常工作由海安市醫療保險基金管理中心具體承擔。
附件2
2022年度海安市長期照護保險定點服務機構護理員照護服務技能競賽實施方案
為提高照護服務人員的職業技能和綜合素質,增強參保人員體驗感、獲得感、幸福感和安全感,提升社會對照護服務人員的認可度,制定照護服務技能競賽方案。
一、競賽技能
照護服務技能
二、參賽對象
在本市范圍內照護保險定點機構(醫院照護病區、護理院、養老機構、居家上門服務機構)注冊、備案的從事照護服務的護理員、護士。
三、競賽項目
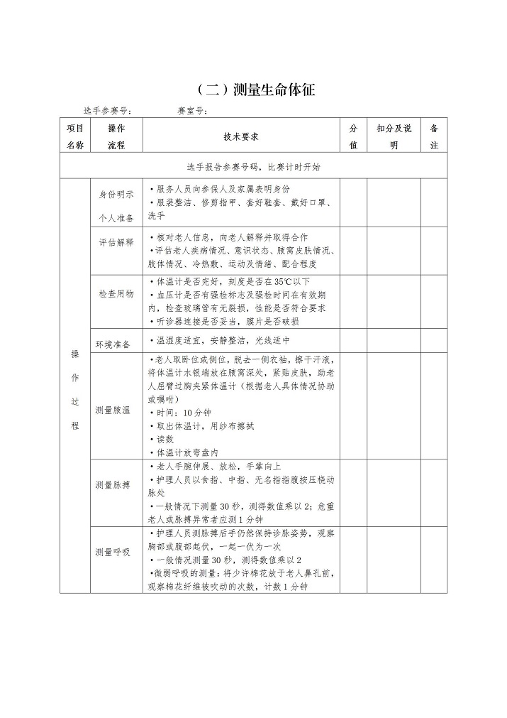
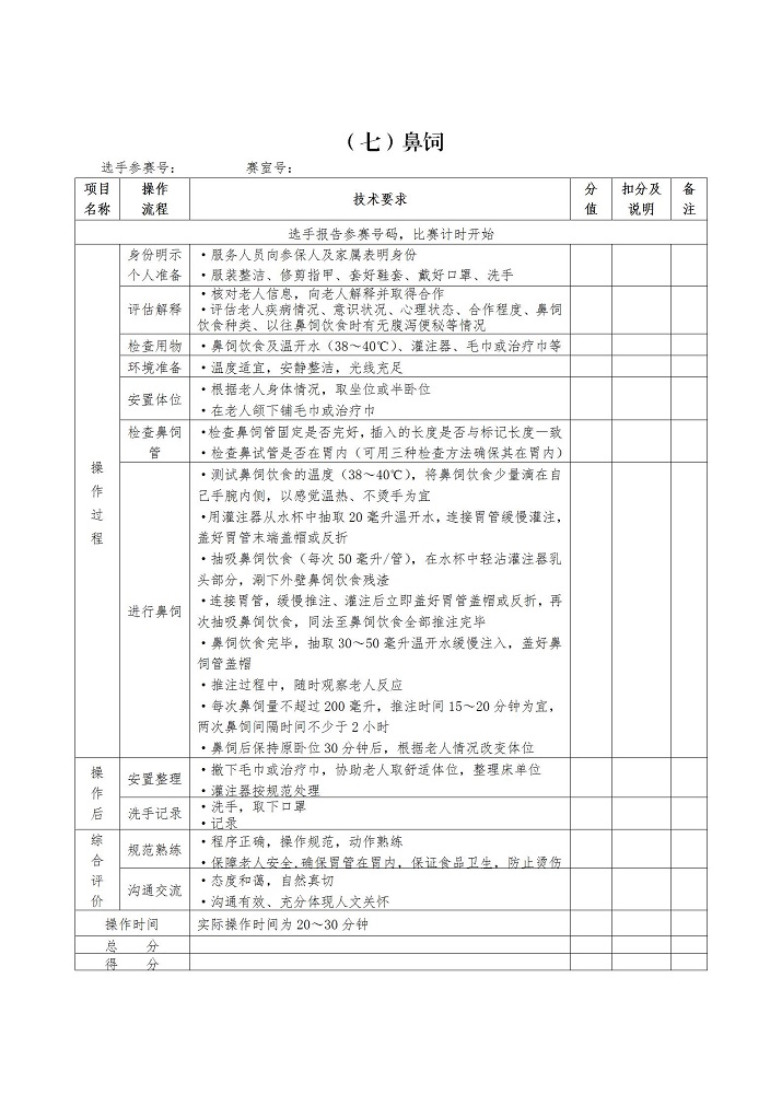
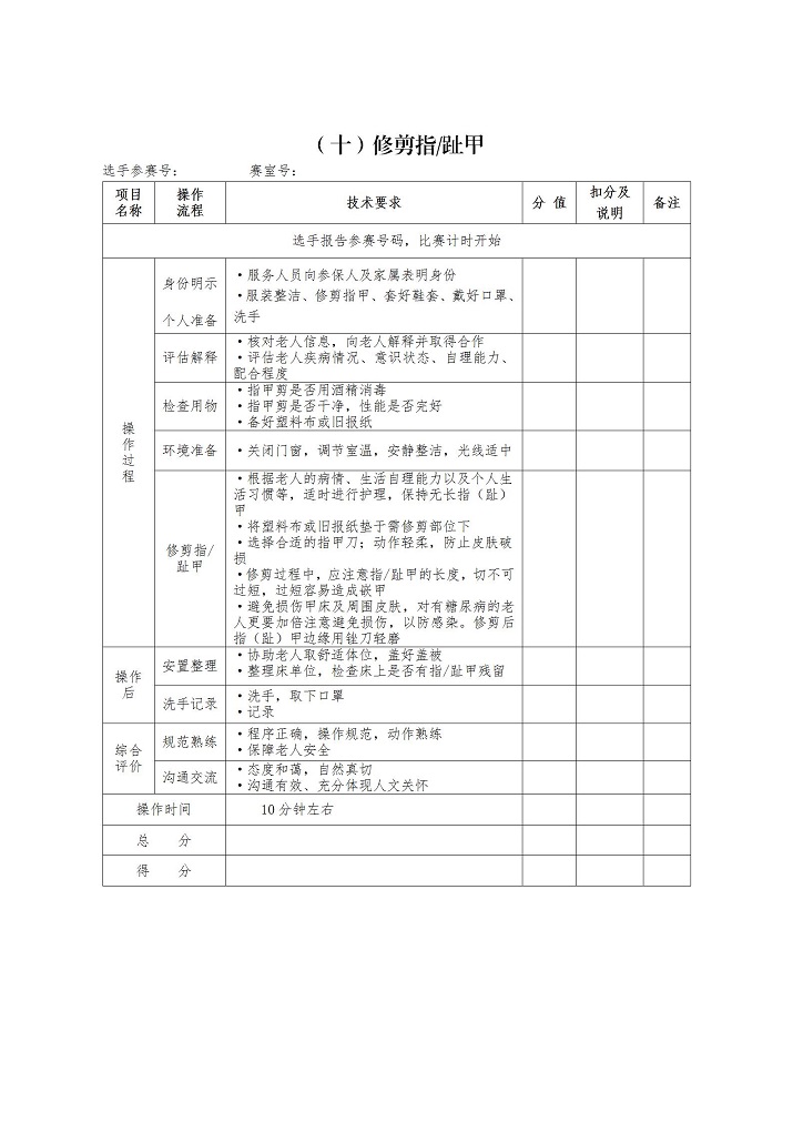
在床上擦浴、測量生命體征、床上洗頭 、翻身/拍背、更換紙尿褲、輪椅運送法、鼻飼老人喂養、口腔護理、更換床單、修剪指/趾甲、潔面/剃須、沐浴12個項目中抽選3項(技術操作附后),定為本次競賽項目。
四、競賽形式
按照公開、公正、公平的原則,采取以賽帶訓、全員練兵、層層選拔、競技擇優的方式進行,比賽結果公開。各單位參賽及獲獎情況將與單位年終考核掛鉤。
(一)競賽時間
2022年11月18日,參賽隊及參賽人員須在11月18日8:00前至賽點報到。
(二)競賽地點
海安市立森職業培訓學校有限公司(海安市城東鎮迎賓路136號泛書房八樓)。
(三)參賽名額
按機構報名,醫院照護病區、護理院、養老機構各選派1名優秀護士、2名優秀護理員,居家上門服務機構選派2名優秀護理員參加本次照護服務技能競賽。各機構另須確定一名領隊、一名聯絡人。11月14日前各機構須將領隊、聯絡人、參賽人員名單及參賽人員身份證復印件等報市醫保中心照護保險425辦公室(聯系人:劉禮霞,聯系電話81878006)。參賽選手報名獲得資格確認后不得隨意更換。
(四)競賽流程
1.由各領隊抽簽確定比賽順序,參賽隊按照抽簽確定的順序進入比賽場地。
2.每位參賽人員采取抽簽的形式從3個競賽項目中抽取一項完成競賽。
(五)參賽要求
1.參賽選手均著無標識護士服參加競賽,言行文明,熱情大方。
2.所有參賽選手均不得攜帶手機等通訊工具進入競賽現場。服從裁判及工作人員的管理。
五、獎項設置
1.個人獎
(1)護理員組:按比賽得分排名,一等獎1個,二等獎2個,三等獎3個,優秀獎4個。
(2)護士組:按比賽得分排名,一等獎1個,二等獎1個,三等獎1個。
2.團體獎
技能比賽設團體獎4個,其中醫院照護病區、護理院、養老機構1個;居家照護機構3個。團體獎根據各參賽隊隊員平均成績排名確定。















